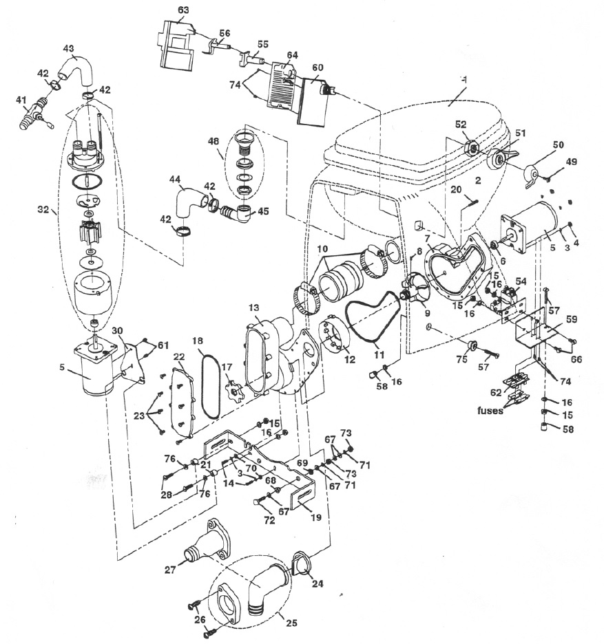
Raritan Atlantes Spare Parts (1996 Onwards)
Product Information:

Note: not all parts are available from stock.
Please fill out the form below for a quotation, parts avalibility and we will come back to you shortly.
-------------------------------------
Only LeeSan truly specialise in toilets, call to speak to our knowledgeable staff.
A full specification of this product will be completed shortly.